Our power systems analysis engineering team provide a wide range of services including computer modelling, load flow and short circuit, protection grading, arc flash assessment, motor start-up and harmonic and finally dynamic and transient switching studies for large loads and generation units connected to distribution and transmission systems.
CLIENT: UGL, Elecnor APD Global has been commissioned to design and deliver a specialised hurdle system that ensures the safety and integrity of live distribution lines during the stringing of 500kV transmission lines overhead. This innovative solution is engineered to maintain critical clearances and protect energised undercrossing lines ranging from 11kV to 66kV. Key Features…
APD Global undertook power system studies, arc flash and protection scheme design associated with new 22kV HV Switchboards and 415V LV Switchboards as part of the Australind Titanium Dioxide Plant HV Distribution Upgrade.
APD Global was requested by an Australian utility to assess voltage and current harmonic and resonance analysis studies for two 220/132/22kV 120/140MVA transformer with respect to limits set out in IEC 61000:3:6 (2012).
APD Global was engaged to undertake Insulation Coordination and Reactor Switching Studies for a 275kV substation in South Australia. Advanced studies based on PSCAD/EMTDC modelling were carried out to ensure the safe operation of the substation through surge protective devices.
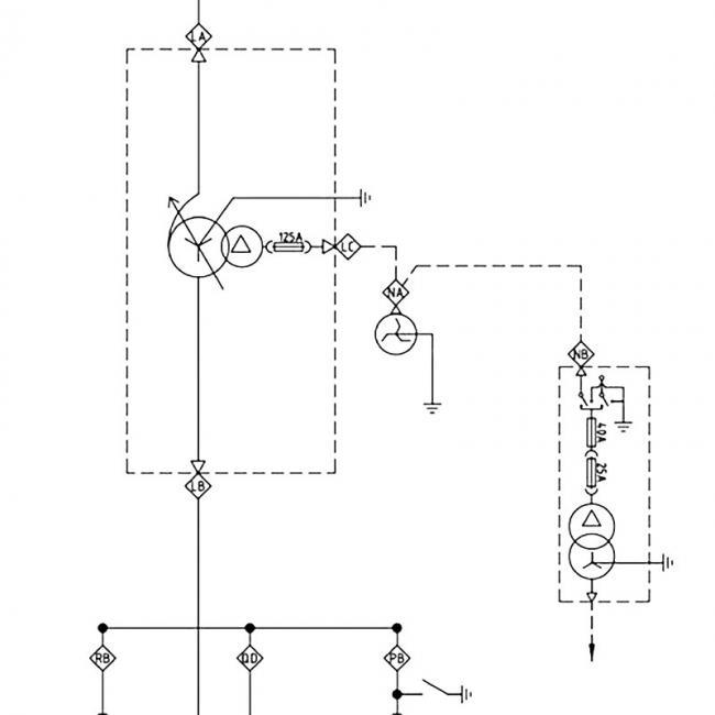
APD’s Power System Studies team provided First Quantum Minerals (FQM) with end-to-end services from detailed site survey (data collection), to computer modelling and system analyses. With a model of the mine network, FQM can investigate various contingency events & plan for the most cost-effective network utilization.
APD Global were contracted by PLP to engineer and design three new 1.5MVA and one 1MVA 11/0.433kV kiosk substations, powerline modifications and power and fibre optic cable reticulation for the Rio Tinto Wickham Accommodation Expansion.
Power Quality Measurement, Reliability Assessment, Flicker, Harmonics & THD, SAIDI & SAIFI.
Powerline Design, Power System Studies & cable/conductor selection, Protection Grading, Earthing Design & Site Testing.
Site data collection, fault analysis, protection coordination study, arc flash shock hazard assessment and onsite training.
Engineering, Procurement and Construction (EPC).